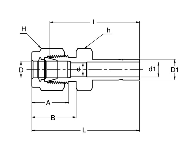
Specifications

Part Number

SR 10M-8

Brand

Superlok®

Material

316 Stainless Steel

Description

SR 10 mm Tube Outside Diameter DX 1/2 in. Tube Stub Reducer

Inch/Metric

Metric

Dimensions

Dimension A

17.2 mm

Dimension B

19.5 mm

Dimension I

42.2 mm

Dimension L

49.8 mm

Dimension d [Min]

7.9 mm

Dimension d1 [Min]

9.4 mm

Tube Outside Diameter D

in 10 mm

Tube Outside Diameter D1

1/2 in

Width Across Flats H

in 19 mm

Width Across Flats h

in 18 mm